欢迎光临 昆山维思机器有限公司 官方网站!

通孔空心轮毂气缸系列 B-SP-EM

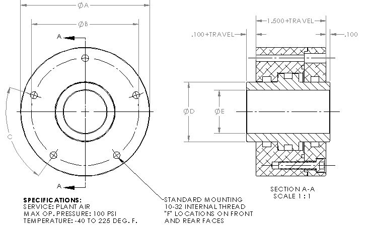
分类: 空心轮毂 - 最大工作压力 100 PSI其他信息:通孔空心轮毂气缸系列 B-SP-EM:气动、双作用、双端、直通气缸,具有最大的间隙整体,可实现无与伦...


  • 活塞面积: 1.005
  • 活塞行程: 0.125
  • 杆端: 通孔
  • 端口样式: 1/8 NPT
  • 安装方式: 螺纹

Product Details

Product Tags

分类: 空心轮毂 - 最大工作压力 100 PSI

其他信息:

通孔空心轮毂气缸系列 B-SP-EM:

气动、双作用、双端、直通气缸,具有最大的间隙整体,可实现无与伦比的应用多功能性。

空心轮毂气缸设计独特,可以通过多种方式进行修改,以更精确地适应您的应用。 请随时通过电子邮件向我们提出您的要求或问题。空心轮毂气缸是我们最定制的产品。

2.jpg

2.png



9.png


Leave Your Message


Write your message here and send it to us

留 言